插装阀
-
液压原理图型号描述插孔流量压力
-
压力补偿型,插装式流量阀
10-3
0.4-22.7lpm
240bar
-
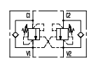
双向液压锁
50lpm
350bar
-
双向液压锁
30lpm
350bar
-
双向平衡阀
60lpm
350bar
-
带反向单向阀,带二级增压功能,外泄口型先导座阀式溢流阀
Rexroth-HC
200lpm
420bar
-
带反向单向阀,带二级减压功能,先导座阀式溢流阀
Rexroth-LG
200lpm
420bar
-
带反向单向阀,带二级增压功能,先导座阀式溢流阀
Rexroth-LM
300lpm
420bar
-
先导座阀式溢流阀
Rexroth-FB
100lpm
420bar
-
液压原理图型号描述插孔流量压力








