插装阀
-
液压原理图型号描述插孔流量压力
-
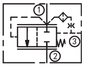
极限流型平衡阀
SUN T-11A
10lpm
350bar
-
单向节流阀
HYDAC FC06-2
11.4lpm
250bar
-
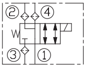
二位,四通,滑阀式电磁阀
08-4
11.4lpm
207bar
-
二位,四通,滑阀式电磁阀
08-4
11.4lpm
207Bar
-
手动节流阀
10-2
110lpm
350bar
-
外控逻辑阀
16-S3
189lpm
290Bar
-
负载控制阀
SUN T-24A
480lpm
350bar
-
三位,五通,滑阀式电磁阀
08-5
11.4lpm
207bar
-
液压原理图型号描述插孔流量压力








