插装阀
-
液压原理图型号描述插孔流量压力
-
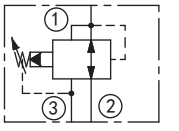
先导式减压 / 溢流阀
SUN T-2A
80lpm
350bar
-
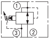
先导式减压 / 溢流阀
SUN T-11A
40lpm
350bar
-
带外接口平衡阀
SUN T-21A
60lpm
420bar
-
液控单向阀(标准导压)
SUN T-2A
120lpm
350bar
-
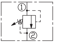
直动式溢流阀
SUN T-18A
760lpm
350bar
-
内控,滑阀型先导式顺序阀
SUN T-17A
240lpm
350bar
-
常开,调节单元
SUN T-2A
120lpm
350bar
-
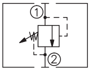
直动座阀式溢流阀
08-2
38lpm
350bar
-
液压原理图型号描述插孔流量压力








