插装阀
-
液压原理图型号描述插孔流量压力
-
二位二通电磁阀 常闭型
08-2
18.9lpm
207Bar
-
二位二通电磁阀 常闭型
08-2
40lpm
350Bar
-
滑阀直动式减压 / 溢流阀
10-3
72lpm
345bar
-
压力补偿可调型,插装式流量阀
SUN T-17A
0.8-95lpm.
350bar
-
压力补偿可调型,插装式流量阀
SUN T-2A
0.4-45lpm
350bar
-
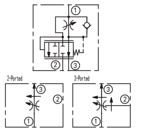
压力补偿型,带反向单向阀,插 装可调式流量阀
12-3
0-68 lpm
240bar
-
二位,三通,滑阀式电磁阀
07-3
11.4lpm
207bar
-
座阀式液控卸荷阀
10-3
3.8L/min
210bar
-
液压原理图型号描述插孔流量压力








