插装阀
-
液压原理图型号描述插孔流量压力
-
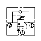
带反向单向阀、外泄口型先导座 阀式溢流阀
Rexroth-HC
200lpm
420bar
-
外控逻辑阀
20-S3
300lpm
290bar
-
外控逻辑阀
08-3
37.8lpm
345bar
-
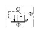
外接口开启,弹簧偏置关闭,非平衡锥阀逻辑单元带①口或②口导压
SUN T-17A
380lpm
350bar
-
半限流型平衡阀
SUN T-2A
75lpm
350bar
-
平衡阀
HYDAC FC06-3
11.4lpm
350bar
-
平衡阀
SUN T-11A
60lpm
280bar
-
压力补偿型,插装式分流/ 集流 阀
12-4
106lpm
345bar
-
液压原理图型号描述插孔流量压力








