插装阀
-
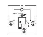
液压原理图型号描述插孔流量压力
-
二位三通液控换向阀
SUN T-2A
60lpm
350Bar
-
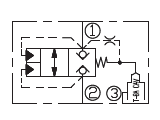
平衡阀 半限流型
SUN T-11A
40lpm
280Bar
-
逻辑阀
SUN T-2A
200lpm
350Bar
-
专用于向油口①供油。
10-2
1.36CC/min
207Bar
-
液压原理图型号描述插孔流量压力








