展开全部
收起全部
-
技术特性
工作:
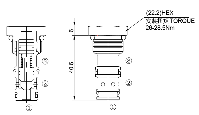
当在①口的压力超过开启压力,①到②开启;在反方向,②到①关闭;
当液控口③压力达到一定时,锥阀芯关闭,①和②不通,液控活塞面积与锥阀座面积
比为3:1。
-
技术曲线

-
技术参数
工作压力210bar流量请查看《压力-流量曲线图》插孔08-3过滤参考《油液清洁度》内泄漏2 drops/min.(滴/分) max. at 350bar开启压力2.1=2.1bar控制比3:1温度-40ºF to +250ºF(-40ºC to +120ºC)油液Mineral-based fluids with viscosities of 7.4 to 420 cSt.(矿物油粘度)阀块材料6061-T6铝,允许使用最大压力207bar 钢和球铁允许使用最大压力350bar -
文件下载
PDF文件 -
相关辅件











